SOAL SPE
1.
Analog to Digital Converter adalah kepanjangan dari…
a.
ADC
b.
Inverter
c.
Converter
d.
Decoder
e.
DAC
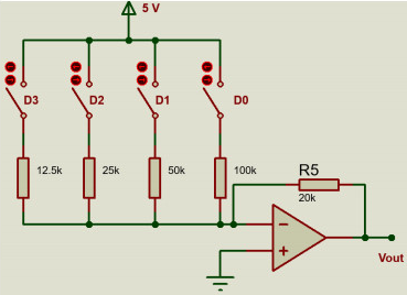
2.
Dari rangkaian
dibawah merupakn jenis DAC…
a.
Binary Weight
A/D Converter
b.
Desimal Weight
A/D Converter
c.
Binary Weight
D/A Converter
d.
Semua salah.
e.
Hexa Weight A/D
Converter
3.
ketelitian nilai hasil konversi ADC ditentukan oleh…
a.
Gain
b.
Resolusi
c.
Kecepatan sampling
d.
sensor
e.
Disturbance
4.
Umumnya ADC digunakan sebagai perantara antara…
a.
Sensor digital dengan sistim minimum
b.
Actuator analog dengan sistim minimum
c.
Semua salah
d.
Actuator digtal dengan sistim minimum
e.
Sensor analog dengan sistim minimum
5.
Ketika
nilai ADC 51 maka LED akan menyala pada PORTD.0, maka program yang dibuat
adalah
a.
If (potensio<=51) {PORD.0=1;}
b.
If (potensio==51) {PORD.0=0;}
c.
If (potensio<=51) {PORB.0=1;}
d.
If (potensio<<51) {PORD.0=1;}
e.
If (potensio>>51) {PORD.0=1;}
6.
mengkonversi sinyal analog ke dalam bentuk besaran yang merupakan rasio
perbandingan sinyal input dan tegangan referensi adalah fungsi dari…
a.
ADC
b.
DAC
c.
Decoder
d.
Converter
e.
Inverter
7.
sebuah piranti untuk mengubah sebuah masukan digital (umumnya adalah
biner) menjadi sebuah sinyal analog (arus, tegangan atau muatan elektrik)
adalah
a.
ADC
b.
DAC
c.
Converter
d.
Decoder
e.
Inverter
8.
Pemasangan nilai R pada gambar yang seperti itu adalah untuk
mendapatkan Vout yang…
a.
besar
b.
Digital
c.
Sistematik
d.
Eksponensial
e.
Linier
9.
Seberapa sering sinyal analog dikonversikan ke bentuk sinyal digital pada
selang waktu tertentu adalah proses…
a.
Kecepatan
sampling
b.
sensor
c.
Gain
d.
Resolusi
e.
Disturbance
10. Digital to Analog
Converter merupakan singkatan dari..
a.
Inverter
b.
ADC
c.
Converter
d.
DAC
e.
Decoder
11. pengubah input analog
menjadi kode – kode digital
a.
Decoder
b.
ADC
c.
Inverter
d.
DAC
e.
Converter
12. Ada berapa pin IC DAC0808
a.
12
b.
14
c.
24
d.
16
e.
8
13. Pin 3 (VEE) di dalam IC
DAC0808 dihubungkan ke…
a.
GND
b.
-12V
c.
Semua salah.
d.
Vreff
e.
12V
14. Ada tiga proses didalam
ADC, manakah yang paling benar
a.
Pencuplikan,
pemrograman dan pengaploadan
b.
Pencuplikan,
pengkuantisasian dan pengkodean
c.
Pengkuntisasian,
pengkodean dan pemrograman
d.
Semua salah.
e.
Pemrograman,
compile dan aplod
15. Pin 14 (+ Vref) berfungsi
sebagai
a.
Input tegangan
referensi positif
b.
Input tengan
referensi negative
c.
Input tegangan
positif
d.
Output tegangan
e.
Input tegangan
negative
16. Salah satu IC yang
didesain khusus sebagai Digital to Analog Converter (DAC) adalah
a.
IC ADC 0808
b.
IC DAC 555
c.
IC DAC LM35
d.
IC DAC 0808
17. DAC pada dasarnya
mengkonversi masukan (berupa bilangan biner) ke dalam besaran fisik biasanya
berupa…
a.
Besaran kimia
b.
Tegangan listrik
c.
Nilai kapasitif
d.
Besaran fisik
e.
Nilai induktif
18. penghubung antara
rangkaian digital dengan rangkaian analog…
a.
Decoder
b.
DAC
c.
Converter
d.
ADC
e.
Inverter
19. ADC 12 bit memiliki…
a.
0-255 bit data
digital
b.
Semua salah
c.
7 output data
digital
d.
255 bit data
digital
e.
12 bit data
digital
20. ADC 8 bit akan memiliki
output…
a.
8 bit data
digital
b.
Semua salah
c.
0-255 bit data
digital
d.
7 output data
digital
e.
255 bit data
digital
KUNCI JAWABAN
1.
A
2.
C
3.
B
4.
E
5.
A
6.
A
7.
B
8.
E
9.
A
10. D
11. B
12. D
13. B
14. B
15. A
16. D
17. B
18. B
19. E
20. A

Komentar
Posting Komentar